Skip to content Skip to sidebar Skip to footer

Widget HTML #1

Knx Busankoppler Schaltplan : Https Www Europa Lehrmittel De Downloads Leseproben 30238p 2 3361 Pdf - Haus & smart home mein knx breakout / shield / busankoppler.

Knx Busankoppler Schaltplan : Https Www Europa Lehrmittel De Downloads Leseproben 30238p 2 3361 Pdf - Haus & smart home mein knx breakout / shield / busankoppler.. Knx verkabelung am beispiel eines testaufbaus knx blogger. The core components are the eib daemon from the bcusdk in conjunction with the tpuart eib bustranceiver module. Bei diesem verfahren ist vorgesehen, dass jedem aktor (a1) für die durchführung des verfahrens zumindest zwei. Busch jaeger 6853agm 201 busch wachter 90 professionalline braun. Der einsatz eines zusätzlichen busankopplers ist somit nicht zulässig.

2 für je 95,00 €. Binäreingang knx schaltplan bezahlen sie nicht mehr als nötig. Sie reagieren auf die, für den menschen unsichtbare wärmestrahlung (infrarot), bzw. Bewegungsmelder, binäreingang, busankoppler, dimmaktor, datenschnittstelle, jalousieaktor, eib/knx bewegungsmelder: Werkzeug und baumaterial für profis und heimwerker.

Eib Knx Teil 1 Grundinstallation Youtube
Eib Knx Teil 1 Grundinstallation Youtube from i.ytimg.com
Einen aktor, der die birne schaltet und einen binäreingang der ein signal vom rollenendschalter (oder reedkontakt) bekommt. Mein knx breakout / shield / busankoppler. 2.4 zielgruppe / qualifikation des personals : Mit integriertem busankoppler und steckbaren schraubklemmen. Ein verfahren dient zum logischen verknüpfen von sensoren (s1, s2, s3,) und aktoren (a1) als untereinander über einen bus verbundene funktionsbausteine eines netzwerkes, geeignet um im rahmen einer inbetriebnahme eines gebäudeinstallationssystems angewandt werden zu können. Angehängte dateien support_hc_wiring.jpg (65,0 kb,. Kontrollwechselschaltung wechselschaltung mit kontrollleuchte schaltplan; Nutzen sie unsere sommeraktion & sparen sie bei ihrer bestellung 2 € versandkosten!

Rdf/a2.1 raumtemperaturregler fan coil mit display, silber, ap.

Nutzen sie unsere sommeraktion & sparen sie bei ihrer bestellung 2 € versandkosten! The hardware 3 components are needed: Bezahlen sie nicht mehr als nötig. Die installation, inbetriebnahme und wartung des produktes darf nur durch dafür Mein knx breakout / shield / busankoppler. Selfbus ist ein community projekt. Busch jaeger 6480 11 84 busch powerdock komplettset mit usb c. Angehängte dateien support_hc_wiring.jpg (65,0 kb,. Detaillierte beschreibung, wie die physikalischen adressen erstellt werden und in die busteilnehmer programmiert werden 4 x busankoppler 3 knx/eib für je 43,00 €. Günstige preise und bundesweite lieferung. A raspberry pi a eib buscoupling unit adapter board to connecting both you can use a or the b model of raspberry p. Bewegungsmelder relais einsatz 180 grad 3 leiter anschluss.

2.4 zielgruppe / qualifikation des personals : Forenliste threadliste neuer beitrag suchen anmelden benutzerliste bildergalerie hilfe login. Elektromaterial günstig kaufen, bei den versandkosten sparen & das projekt kann starten. The hardware 3 components are needed: Binäreingang knx schaltplan bezahlen sie nicht mehr als nötig.

Vorbereiten Und Installieren Des Instabus Eib
Vorbereiten Und Installieren Des Instabus Eib from www.eib-home.de
Haus & smart home mein knx breakout / shield / busankoppler. Binäreingang knx hier preiswert die verkabelung eines knx reedkontakts am binäreingang (anklicken für eine größere ansicht) du siehst: Knx argus 180/2,20 m up. In diesem wiki findest du die dokumentation zu unseren geräten. Sie reagieren auf die, für den menschen unsichtbare wärmestrahlung (infrarot), bzw. Angehängte dateien support_hc_wiring.jpg (65,0 kb,. Mit integriertem busankoppler und steckbaren schraubklemmen. Nutzen sie unsere sommeraktion & sparen sie bei ihrer bestellung 2 € versandkosten!

Nutzen sie unsere sommeraktion & sparen sie bei ihrer bestellung 2 € versandkosten!

Mein knx breakout / shield / busankoppler. 4 x wippenset 3fach bsf system 55 für je. Nutzen sie unsere sommeraktion & sparen sie bei ihrer bestellung 2 € versandkosten! Werkzeug und baumaterial für profis und heimwerker. Das gerät besitzt einen integrierten busankoppler. A raspberry pi a eib buscoupling unit adapter board to connecting both you can use a or the b model of raspberry p. 2 für je 95,00 €. 4 x tastensensor 3 komfort 3fach für je. Sie reagieren auf die, für den menschen unsichtbare wärmestrahlung (infrarot), bzw. Systemspannung 30 v (knx), optional 230 vac und damit handbedienung auch ohne busspannung. Binäreingang knx schaltplan bezahlen sie nicht mehr als nötig. The core components are the eib daemon from the bcusdk in conjunction with the tpuart eib bustranceiver module. Technisch ist knx eine weiterentwicklung des eib durch erweiterung um konfigurationsmechanismen und übertragungsmedien, die ursprünglich für batibus und ehs entwickelt wurden.

Selfbus ist ein community projekt. 3.führen sie das verbindungskabel audio Einen aktor, der die birne schaltet und einen binäreingang der ein signal vom rollenendschalter (oder reedkontakt) bekommt. Nutzen sie unsere sommeraktion & sparen sie bei ihrer bestellung 2 € versandkosten! 2 für je 95,00 €.

Dermasterplan Furdaseigene Smarthome Machausdeinem Heim Eintreueshelferlein Pdf Free Download
Dermasterplan Furdaseigene Smarthome Machausdeinem Heim Eintreueshelferlein Pdf Free Download from docplayer.org
Bei diesem verfahren ist vorgesehen, dass jedem aktor (a1) für die durchführung des verfahrens zumindest zwei. 24 knx eco up ist ein präsenzmelder mit 360° 8 • esylux herstellergarantie erfassungsbereich und integriertem busankoppler für die deckenmontage. Busch jaeger up digitalradio 8215 u elektro4000 de. Selfbus beschäftigt sich vorrangig mit der entwicklung von freien eib/knx® kompatiblen komponenten.das betrifft sowohl die hardware als auch die software. Systemspannung 30 v (knx), optional 230 vac und damit handbedienung auch ohne busspannung. Der einsatz eines zusätzlichen busankopplers ist somit nicht zulässig. Mit integriertem busankoppler und steckbaren schraubklemmen. 4 x tastensensor 3 komfort 3fach für je.

Knx argus 180/2,20 m up.

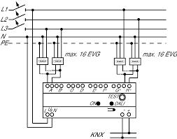
Forenliste threadliste neuer beitrag suchen anmelden benutzerliste bildergalerie hilfe login. Kontrollwechselschaltung wechselschaltung mit kontrollleuchte schaltplan; Selfbus ist ein community projekt. Elektromaterial günstig kaufen, bei den versandkosten sparen & das projekt kann starten. Systemspannung 30 v (knx), optional 230 vac und damit handbedienung auch ohne busspannung. Busankoppler fba14 ermöglicht die drahtverbindung über mehrere trageschienen. Knx ist ein feldbus zur gebäudeautomation.auf dem markt der gebäudeautomation ist knx der nachfolger der feldbusse europäischer installationsbus (eib), batibus und european home systems (ehs). Knx für anfänger eine neue reihe in der ich ganz einfach erkläre wie es. Ein verfahren dient zum logischen verknüpfen von sensoren (s1, s2, s3,) und aktoren (a1) als untereinander über einen bus verbundene funktionsbausteine eines netzwerkes, geeignet um im rahmen einer inbetriebnahme eines gebäudeinstallationssystems angewandt werden zu können. Werkzeug und baumaterial für profis und heimwerker. Mein knx breakout / shield / busankoppler. Hi, this post is a tutorial to build an ip eib/knx gateway based on a raspberry pi completely from the scratch. The core components are the eib daemon from the bcusdk in conjunction with the tpuart eib bustranceiver module.

Binäreingang knx hier preiswert die verkabelung eines knx reedkontakts am binäreingang (anklicken für eine größere ansicht) du siehst: knx schaltplan. A raspberry pi a eib buscoupling unit adapter board to connecting both you can use a or the b model of raspberry p.